Sari la conținut

SURUB TUBULAR M16 DUBLU

Cod: CP072848
CP072848
În stoc
https://www.ciusnel.ro/web/image/product.template/114938/image_1920?unique=e6a4196
(0 recenzie)
HBM16D Disponibilitate în stoc
Slătioara: Stoc epuizat
Caracal: 4.0


34,85 lei 34.85 RON 34,85 lei

Nu este disponibil pentru vânzare

    Această combinație nu există.

    Termeni și condiții
    Garanție de rambursare în 30 de zile
    Expediere: 2-3 zile lucrătoare

    UnitateBucată
    Detalii produs
    • Conexiune: șurub Banjo metric
    • Aplicație: În combinație cu banjo
    • Material: oțel
    • Garnitură: Inel etanșare pe banjo
    • Standard: DIN 7643
    • Tratament suprafață: Zincat, disponibil în varianta oțel inoxidabil, la cerere
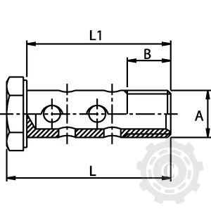
    ADiametru filetM16
    LLungime totală57,9 mm
    Tip filetMetric
    Pas filet1.50 mm
    L1Lungime50,8 mm
    BLungime filet17 mm
    SWMărime cheie/cheie de piulițe22.0 mm
    Tratare suprafațăGalvanizat
    MaterialOțel
    Standard DIN7643
    Tip etanșareGarnitură inelară
    Presiune de lucru maximă190 bar


    Produse alternative